Ersatzteilanfrage Mulcher T-10 pick up
Produktinformationen "Ersatzteilanfrage Mulcher T-10 pick up"
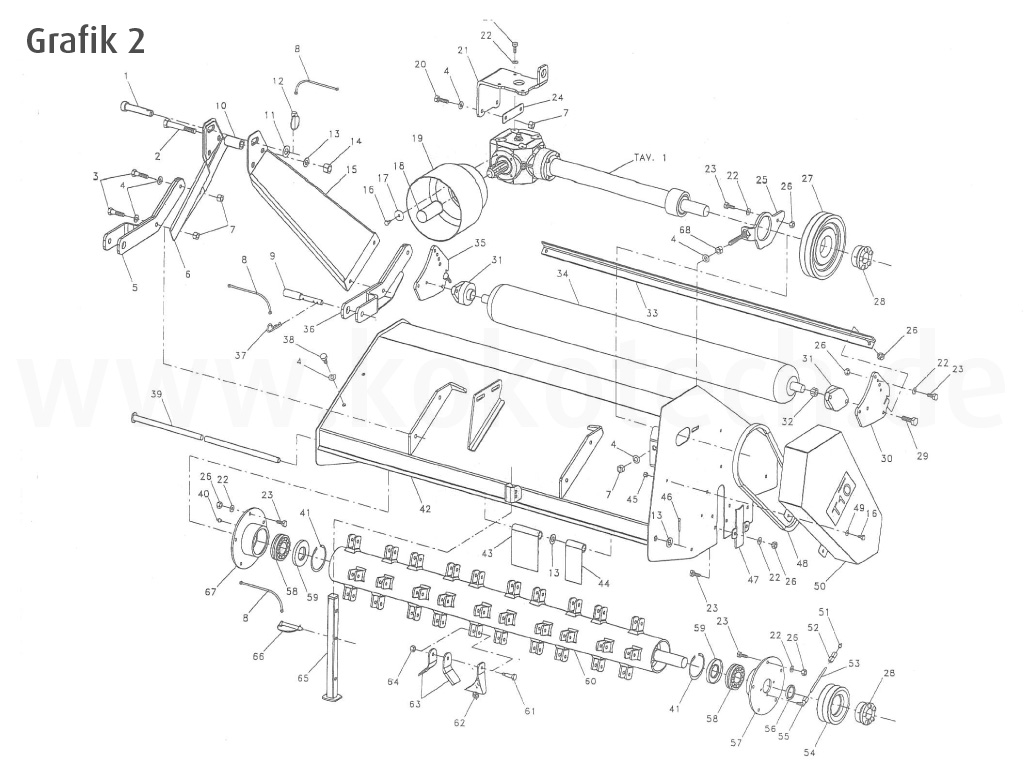
Für eine Ersatzteilanfrage können sie hier die Explosionszeichnung nutzen.
1. oben auf das Bild zum vergrößern klicken
2. die laufende Bildnummer und die Ersatzteilnummer notieren
3. diese inkl. der benötigten Stückzahl in das untere Formular eingeben. Hier ein allgemeines Beispiel.
Grafik1 / 5xE9 / 3xE2
Grafik3 / 2x9 / 9x13 / 1x28
    Natürlich können Sie auch weiteren Kommentar zusätzlich angeben.
4. die weiteren Formularfelder ausfüllen
5. das Formular [Senden]
Nach Erhalt ihrer Anfrage werden wir uns zeitnah mit ihnen in Verbindung setzen.
Kotte GmbH
Buchenweg 6
06536 Berga
Deutschland
Tel. 0346514534-13
0 von 0 Bewertungen
Durchschnittliche Bewertung von 0 von 5 Sternen
Anmelden
 Keine Bewertungen gefunden. Teilen Sie Ihre Erfahrungen mit anderen. 




